Email:
sales@tailiglassesparts.com
info@tailiglassesparts.com
Tel:0086-576-87339070
Mobile: 0086-13735770630
Shipping time: in 2 working days by express;
How soon to receive: 5-7 days to be received after payment is received.
Please ask for one paypal invoice individually if air mail is prefered, 10USD,15-35 days to be received.
Features:
This is one kind of universal rivet hinges almost suitable for all kinds of eyeglasses,are mostly used on wood eyeglass,acetate sunglasses,aluminum frame,horn eyeglasses,bamboo sunglasses etc, it could be installed by screws or rivets.
Ways of installing hinges onto frame:
by self-tapping screws: 4.2mm, 6.0mm shaft length available;
single rivets: 6.0mm shaft single rivets;
Please note the screws or single rivets are matched completely free as per your option for retail order.
Material: high nickel;
Size:
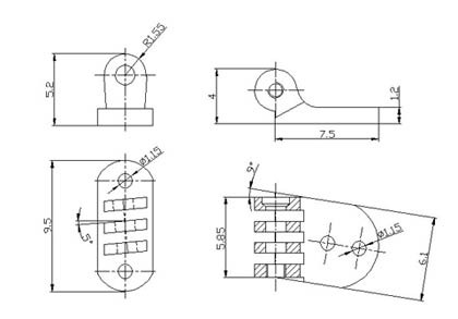
6.0mm width, 4.0mm height, 7.5mm length of temple part.
Drawing of hinge TH-23:
2. 13 Models(TH-21-TH-35), 2 pairs each,26 pairs totally.
3. size: 3.0-8.0mm; with screws for installing (onto frames)matched free.
4. one great universal hinges kit for all kinds of eyeglass frames,metal,plastic,horn,wood etc,specially nice for those who had soldering problem,
5.specially recommend for eyeglass designer,new starters etc.